zapojenie vystraznych svetiel
Moderátoři: Farrael, Moderátoři
zapojenie vystraznych svetiel
zdravim. povodny majitel si vymontoval radio a nejake kabliky od vystrazneho tlacidla sa mu vytiahli. nejdu smerovky ani vystrazne. nejak sme to poprepajali, aby smerovky fungovali aspon pri zatlacenom vystraznom. chcel by som sa spytat, ako mam tie kable zapojit aby to fungovalo. kable su tam farieb: 2x biela s modrym pasikom, 2x zelena s bielym pasikom, zelena s modrym pasikom, zelena s tmavomodrym pasikom, zelena so zltym pasikom, modra s bielym pasikom. je tam 10 dierok, stredne 2 zrejme nemaju byt osadene. model je Accent 1.3 '96. vie mi niekto napisat, ako to presne urobit? vdaka
Accent 1,3 '96
- Reklama
Re: zapojenie vystraznych svetiel
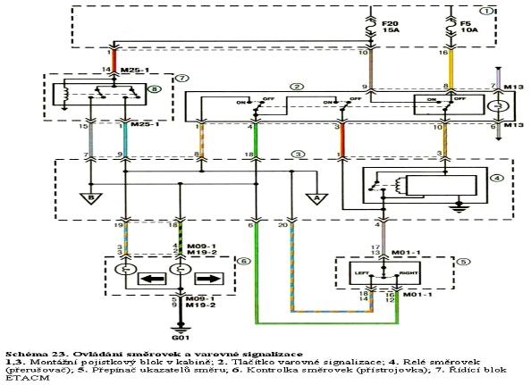
Je to sice GETZ, ale moduly budou asi podobné
snad Ti to pomůže
snad Ti to pomůže
Re: zapojenie vystraznych svetiel
fuha, ako auto amater, je to pre mna prilis komplikovane
aj kablov menej, aj ine farby. nieco jednoduchsie by sa nenaslo?
ale vdaka za ochotu
ale vdaka za ochotu
Accent 1,3 '96
Re: zapojenie vystraznych svetiel
keby niekto potreboval navod, prikladam fotky
- Přílohy
-
- DSC00159a.jpg (66.15 KiB) Zobrazeno 1210 x
-
- DSC00158a.jpg (68.77 KiB) Zobrazeno 1210 x
Accent 1,3 '96