Dnes jsem zjistil, že mi topí jen pravá strana auta..... Z pravých výduchů jde teplý vzduch, z levých výduchů vzduch studený. Že by nějaký pohon klapky? Nemá s tím někdo nějakou zkušenost?
Kde to sehnat a jaké to má katalogové číslo?
Topí pouze pravá část topného systému
Moderátoři: Martun, Moderátoři
Topí pouze pravá část topného systému
- Přílohy
-
- kde to sehnat?
- Actuator.jpg (10.71 KiB) Zobrazeno 3645 x
-
- že by toto?
- topení.jpg (169.41 KiB) Zobrazeno 3664 x
Accent 1.5 CRDi ELEGANCE - Black Ebony
- Reklama
Re: Topí pouze pravá část topného systému
Tak kontrolou jsem zjistil, že actuator pro natáčení klapek je v pořádku a vše pracuje tak jak má.....nic se tedy měnit nemusí. V tom případě jsem z toho jelen 
Accent 1.5 CRDi ELEGANCE - Black Ebony
- Mexican
- *******
- Příspěvky: 8713
- Registrován: 05 srp 2007, 14:39
- Bydliště: Střelice (JmK)
- Kontaktovat uživatele:
Re: Topí pouze pravá část topného systému
to je divne.. a tupi ci to na vsetkych rezimoch? (sklo/ nohy/...
ja by som ako laik tipoval ze to bude nieco niekde v hadici, resp bude to hadicou. Rozoberaniu sa ale asi nevyhnes
ja by som ako laik tipoval ze to bude nieco niekde v hadici, resp bude to hadicou. Rozoberaniu sa ale asi nevyhnes
2023 TUCSON NX4 HEV 2WD Style/Premium - hybridny mladoch od 04/2023
2007 Accent 1,5 CRDi VGT, Nemesis in Elegance & True Blue - legenda s 404 000km, ktora vzdy bude mat miesto v mojom srdci - 08/2007 do 04/2023
2007 Accent 1,5 CRDi VGT, Nemesis in Elegance & True Blue - legenda s 404 000km, ktora vzdy bude mat miesto v mojom srdci - 08/2007 do 04/2023
Re: Topí pouze pravá část topného systému
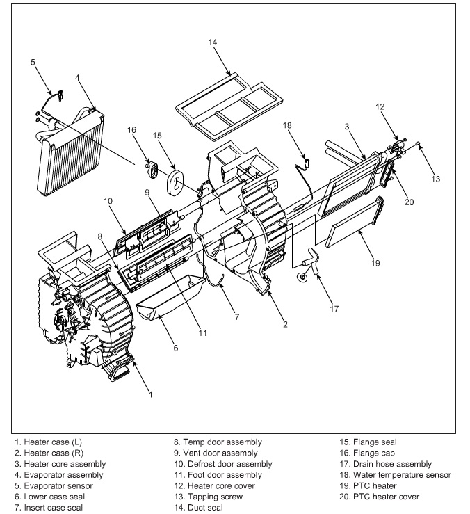
Jo jo, topí to ve všech režimech, ale pouze na pravé straně. Jestli myslíš přívodní hadici do topení (pozice 3,19), tak ta je na vstupu horká. Ještě mne napadla taková blbost, jestli to topné těleso není z půlky zavzdušněné nebo nějak zanesené.... V loni jsem ale před zimou měnil nemrznoucí směs a topilo to v zimě normálně.
- Přílohy
-
- topení_1.jpg (130.3 KiB) Zobrazeno 3568 x
Accent 1.5 CRDi ELEGANCE - Black Ebony