Výměna vysoušeče klimatizace
Moderátoři: nulda, 89majlo96, Moderátoři
Výměna vysoušeče klimatizace
Ahoj, chci se zeptat, měnil jsem si o víkendu chladič klimatizace a dostal jsem k němu ještě vysoušeč, což je takový podlouhlý pytlík plný nějakého substrátu. Bohužel když jsem měl auto rozebrané, tak jsem nepřišel kam by šel tento pytlík vložit. Neporadí mi někdo, kde by vysoušeč mohl v i30 být? Díky moc David
i30 CW 1,6 CVVT + LPG red 2009
- Reklama
Re: Výměna vysoušeče klimatizace
??? Jenom tak by mě teda zajímalo jak jsi odsál plyn z klimatizace a jak ji znovu naplníš?
Re: Výměna vysoušeče klimatizace
Plyn jsem nevysál, protože tam žádný nebyl, jelikož byl chladič trochu cedníkovitej
a znovu mi jí naplní v servise plničkou 
i30 CW 1,6 CVVT + LPG red 2009
Re: Výměna vysoušeče klimatizace
myslim ze to co hledas je v priloze (stranka 3)
Doufam tedy.
- Přílohy
-
- evaporator_Stránka_4.jpg
- (33.97 KiB) Zatím ještě nestaženo
-
- evaporator_Stránka_3.jpg
- (93.58 KiB) Zatím ještě nestaženo
-
- evaporator_Stránka_2.jpg
- (81.66 KiB) Zatím ještě nestaženo
-
- evaporator_Stránka_1.jpg
- (87.39 KiB) Zatím ještě nestaženo
Hyundai i30 1.4i CVVT, Comfort (2010/05/26), Indigo Blue
Re: Výměna vysoušeče klimatizace
Nejsem si uplně jistej, ale na obrázku to vypadá jako klima kompresor, takže by to mělo bejt asi někde v něm:)) ale už to kvuli tomu asi nebudu rozebírat, uvidim, mrknu na to dneska 
i30 CW 1,6 CVVT + LPG red 2009
Re: Výměna vysoušeče klimatizace
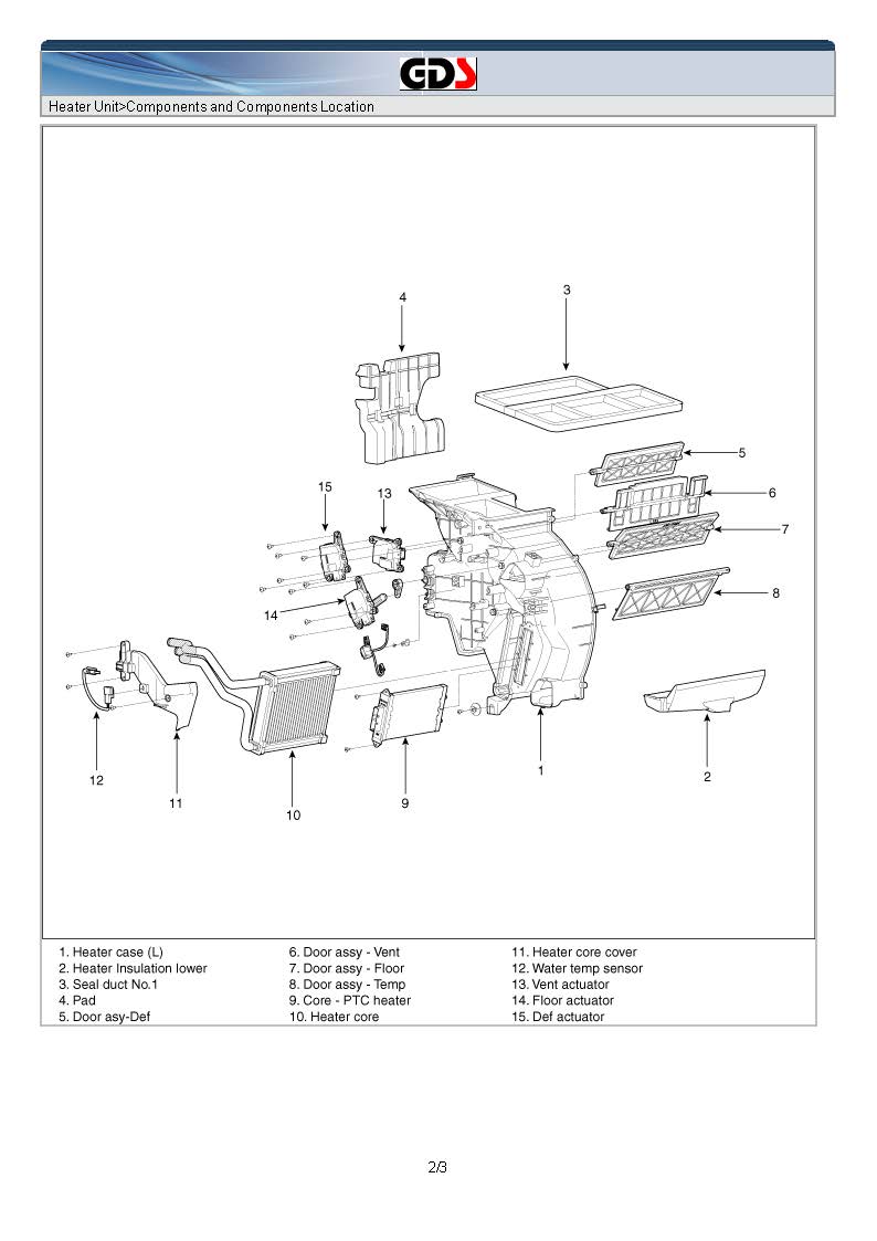
jeste jedno...
- Přílohy
-
- h_unit_Stránka_3.jpg
- (76.92 KiB) Zatím ještě nestaženo
-
- h_unit_Stránka_2.jpg
- (72.22 KiB) Zatím ještě nestaženo
-
- h_unit_Stránka_1.jpg
- (66.13 KiB) Zatím ještě nestaženo
Hyundai i30 1.4i CVVT, Comfort (2010/05/26), Indigo Blue
Re: Výměna vysoušeče klimatizace
Díky moc, teď už chápu kde by měl bejt a taky už vim, že to co mám já vypadá jinak a tim pádem na to kašlu:) Dneska jí sjedu naplnit a budu doufat, že vysoušeč co tam je ještě funguje:) Díky moc ještě jednou
i30 CW 1,6 CVVT + LPG red 2009
Re: Výměna vysoušeče klimatizace
no jak jsem psal, myslim si ze to je ono.treba neni
pockal bych az se vyjadri jeste nekdo jinej. ale nekde na netu jsem cetl ze se ma vysousec menit jakmile je nejaky zasah do systemu klimatizace
Hyundai i30 1.4i CVVT, Comfort (2010/05/26), Indigo Blue
Re: Výměna vysoušeče klimatizace
No uvidíme
Právě že jsem taky četl, že se má preventivně při zásahu do klimatizace měnit, ale i spoustu jinejch věcí by se mělo dělat a nedělám je, takže to snad nebude moc vadit:) A setkal jsem se i s názory na jiných forech, že je nesmrtelnej a v escortu co jsem měl nikdy měněnej nebyl a to se u něj dvakrát měnil klima kompresor:)
i30 CW 1,6 CVVT + LPG red 2009
Re: Výměna vysoušeče klimatizace
tak se omlouvam,to co jsem poslal poprve je nejspis vyparnik. Vysousec je tady
PNC Number Name
97802 9780217000
takze ten pytlik nejspis zasunes do ty trubky u chladice klimatizace?
PNC Number Name
97802 9780217000
takze ten pytlik nejspis zasunes do ty trubky u chladice klimatizace?
- Přílohy
-
- drier.JPG (59.05 KiB) Zobrazeno 3339 x
Hyundai i30 1.4i CVVT, Comfort (2010/05/26), Indigo Blue
Re: Výměna vysoušeče klimatizace
Aha, no pokud by to tam bylo, tak už tam zřejmě je, protože pochybuju, že by to prodávali bez toho a hlavně když jsem se to snažil otevřít, tak jsem s tim klepal a něco se v tom posouvalo, to byla jediná možnost kde jsem si řikal, že by to mohlo být, ale ten starej chladič sem hnedka vyhodil a u toho novýho se mi to nepodařilo vyndat, tak budu doufat, že tam je:) Sice nevim, proč mi to ten týpek dával jako dárek (trvalo mu dlouho dodání) ale asi kdybych chtěl měnit v budoucnu:) A i ten tvar toho pytlíku tam celkem seděl 
i30 CW 1,6 CVVT + LPG red 2009
Re: Výměna vysoušeče klimatizace
něco jsem našel. Mohlo by to být ono?
- Přílohy
-
- ceed vysoušeč.jpg (49.01 KiB) Zobrazeno 3301 x
-
- i30 vysoušeč.jpg (58.01 KiB) Zobrazeno 3301 x
Re: Výměna vysoušeče klimatizace
Jojo to bude asi ono, akorát u i30 na té trubce není tyč, ale je tam jenom plastová zátka, ale jak řikám, mě sundat nešla a věřim, že tam ten vysoušeč je, jelikož byl z chladiče i vysátej vzduch, tak doufám, že by to nesložili dohromady bez něj:)
i30 CW 1,6 CVVT + LPG red 2009
- Ruska.ruleta
- **
- Příspěvky: 416
- Registrován: 12 črc 2010, 11:34
Re: Výměna vysoušeče klimatizace
Plastová zátka brání vniknutí vlhkosti. Vnitřek nového výměníku je přetlakován dusíkem asi na 0,1 MPa. ZÁTKY SE ODSTRAŇUJÍ AŽ TĚSNĚ PŘED MONTÁŽÍ, ABY SE ZABRÁNILO VNIKÁNÍ VLHKOSTI A NÁSLEDNÉMU VZNIKU OXIDACE UVNITŘ VÝMĚNÍKU. Dehydrátor (je správný název) se vyndá z ochranného obalu a "vsune" opět až těsně před montáží.
RR
RR
Rozdávat rady je zbytečné, moudrý si poradí sám a hlupák stejně neposlechne.
Vesmír i lidská blbost jsou nekonečné, i když u toho vesmíru si nejsem až tak jist.
Odvaž se používat vlastní rozum!
i30cw CRDi 85 kW
i30 MPI
Vesmír i lidská blbost jsou nekonečné, i když u toho vesmíru si nejsem až tak jist.
Odvaž se používat vlastní rozum!
Re: Výměna vysoušeče klimatizace
Tak ted už je to jedno, klima je naplněná
)) Ale díky
)
i30 CW 1,6 CVVT + LPG red 2009